当前位置:首页 > 产品中心 >

CC42、CT42轴向引线独石积层电容

CC42、CT42轴向引线独石积层电容

产品名称:

产品详情

>> 轴向引线瓷介电容器特性

具有容量大,温度特性好、工作电压高和容量误差范围小的特性,适用自动安装的卷带包装。

image.png

>> 尺寸、工作電壓、容量關係表

image.png

>> 订货方法

CT42 104 Z 17 Y 500 T

CT42104Z17CG500F
Type标称容量(pF)Cap. 误差

电容器主体长度(英寸)

介质种类额定电压包装方式
                                      CC42:1类轴向电容器
                                                  classaxial                                
104=100000(pF)B=±0.01pF(inch)N=NPO500=50VT=卷带包装

A=盒带包装

F=脚距(mm)

 

 

 

 

 

 
 leads MLCETwo significant C=±0.25pF B=X7R101=100V
                                      CT42:2类轴向电容器
                                                 classaxial                                
digits followed by D=±0.50pF 17Y=Y5V 
leads MLCEno. of  zerosF=±1.0%20(Z5U) 
  G=±2.0% 
 
  J=±5.0% 
 
  K=±10%    
 
  M=±20% 
 
  S=+50%/-20%   
  Z=+80%/-20%  


介质性能参数

image.png

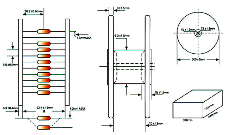
>> 包装形式

卷带包装

image.png

包装数量


尺寸卷带包装盒带包装散包装image.png
9500050001000,5000
2025002500500
暂无内容
暂无内容
暂无内容
暂无内容
暂无内容

© 2006-2023 深圳市容电科技有限公司版权所有

图层 24.png755-2786 3861


邮件:sales@china-capacitors.com

传真: +86-755-2786 2551

公司地址: 广东省深圳市宝安区福永街道凤

凰第三工业区腾丰三路8号 


CC42、CT42轴向引线独石积层电容

>> 轴向引线瓷介电容器特性

具有容量大,温度特性好、工作电压高和容量误差范围小的特性,适用自动安装的卷带包装。

image.png

>> 尺寸、工作電壓、容量關係表

image.png

>> 订货方法

CT42 104 Z 17 Y 500 T

CT42104Z17CG500F
Type标称容量(pF)Cap. 误差

电容器主体长度(英寸)

介质种类额定电压包装方式
                                      CC42:1类轴向电容器
                                                  classaxial                                
104=100000(pF)B=±0.01pF(inch)N=NPO500=50VT=卷带包装

A=盒带包装

F=脚距(mm)

 

 

 

 

 

 
 leads MLCETwo significant C=±0.25pF B=X7R101=100V
                                      CT42:2类轴向电容器
                                                 classaxial                                
digits followed by D=±0.50pF 17Y=Y5V 
leads MLCEno. of  zerosF=±1.0%20(Z5U) 
  G=±2.0% 
 
  J=±5.0% 
 
  K=±10%    
 
  M=±20% 
 
  S=+50%/-20%   
  Z=+80%/-20%  


介质性能参数

image.png

>> 包装形式

卷带包装

image.png

包装数量


尺寸卷带包装盒带包装散包装image.png
9500050001000,5000
2025002500500

产品名称:

相关说明:

2135245634685.png755-2786 3861


邮件:sales@china-capacitors.com

传真: +86-755-2786 2551

公司地址: 广东省深圳市宝安区福永街道凤凰第三工业区腾丰三路8号 



© 2006-2023 深圳市容电科技有限公司版权所有

   
 
X